Declassified UFO / UAP Document

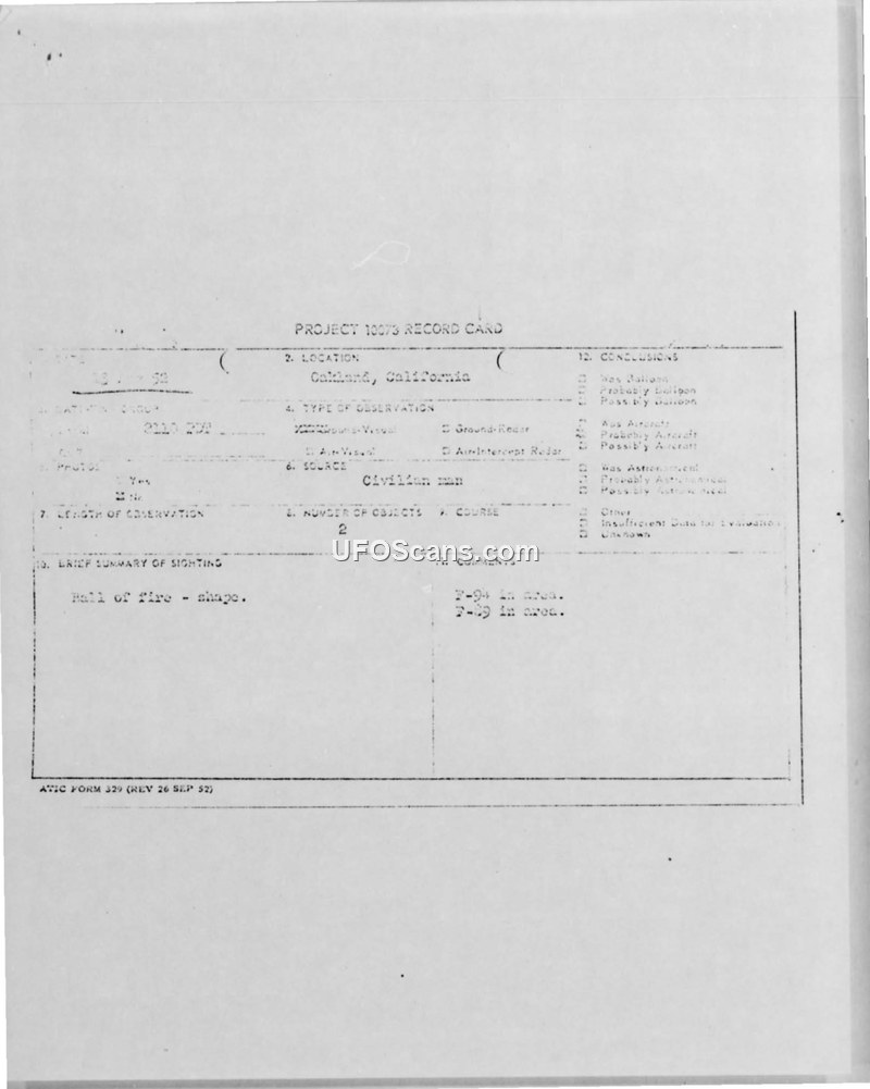
Project 10073 Record Card — Oakland, California, 13 August 1952

📅 13 August 1952 📍 Oakland, California 🏛 Air Technical Intelligence Center (ATIC) 📄 Sighting Report

Ever wanted to host your own late-night paranormal radio show?

Across the Airwaves · Narrative Sim · Windows · $2.95

You're on the air. Callers bring Mothman, Fresno Nightcrawlers, UFO sightings, reptilian autopsies, and whispers about AATIP and Project Blue Book. Every reply shapes how the night goes.

UFO & UAP Cryptids Paranormal Government Secrets Classified Files High Strangeness Strange Creatures
The night is long. The lines are open →

AI-Generated Summary

TL;DR

A civilian reported two balls of fire performing a ten-mile circular maneuver over Oakland, California, on August 13, 1952. Military aircraft in the area were alerted but failed to observe the objects.

This document consists of a series of reports and worksheets related to a UFO sighting on August 13, 1952, in Oakland, California. A civilian witness reported observing two 'balls of fire' that performed a ten-mile circular maneuver before moving in the direction of Hamilton Air Force Base. The report notes that no speed, altitude, or sound data were provided by the witness. Military records indicate that at the time of the sighting, an F-94 aircraft on Combat Air Patrol (CAP) was vectored between Hamilton and Oakland but reported seeing nothing unusual. Additionally, an F-89 and another F-94 were noted to be in the local area at the time. The weather conditions were reported as clear with 15 miles of visibility. The documentation includes a Project 10073 record card, a worksheet, a weather data sheet, and a teletype message summarizing the incident and the subsequent military response.

TWO BALL OF FIRE COMPLETED A CIRCLE OF TEN MILES. AFTER COMPLETION OF CIRCLE, BALLS OF FIRE HEADED TOWARD HAMILTON AFB CALIF

Official Assessment

A civilian reported two balls of fire in Oakland, California, which performed a ten-mile circular maneuver before heading toward Hamilton AFB. Military interceptors (F-94 and F-89) were in the area but reported nothing unusual.

Witnesses

Key Persons